Powered Roller Conveyors
Gravity Roller Conveyors
Belt Conveyors
Dyno Vertical
Telescopic & Expandable Conveyors
Dyno Chain Conveyors
DWS Dimensioning, Weighing & Scanning
Conveyor Rollers
Conveyor Components
Accessories & Other Equipment
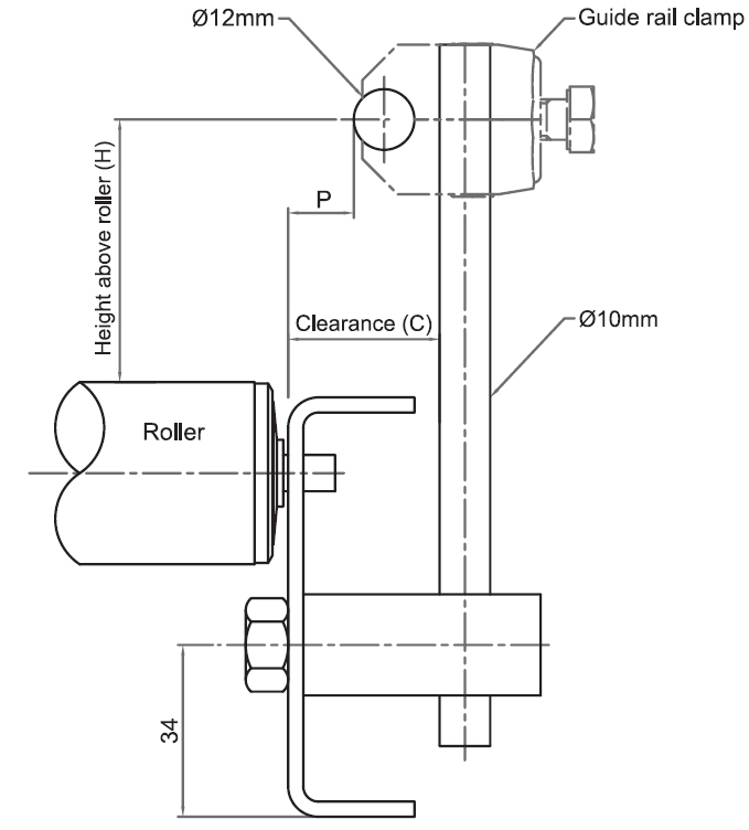
GUIDE RAIL
Guiderails keep your products where you want them to be – avoiding waste, protecting staff and keeping everything moving smoothly. Available for most Dyno conveyors.
For a low friction option consider Ultraslip, Miniroll or Skatewheels.